Унитаз с инсталляцией Roca Meridian Rimless A34H242000+38772001+37131000
Roca является мировым лидером по производству полного ассортимента продукции для ванных комнат. Компания ведет свою историю с 1917 года, когда в пригороде Барселоны был основан завод по производству чугунных радиаторов для домашнего отопления. Покорив рынок в выбранном сегменте, Roca в скором времени расширяет гамму своих продуктов. На сегодняшний день испанский холдинг Roca представляет продукцию на 5 континентах. Компания Roca не останавливается на достигнутом, продолжая совершенствовать технологии и дизайн в соответствии с современными требованиями и тенденциями рынка. Стиль и функциональность, прочность и надежность представлены в широком ассортименте моделей, удовлетворяющем все вкусы и ценовые запросы.
Безободковый унитаз с сиденьем ROCA MERIDIAN A34H242000
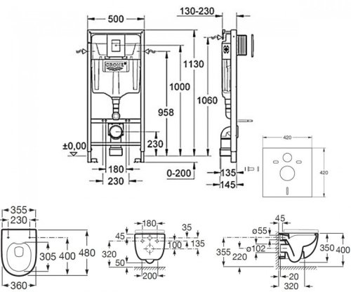
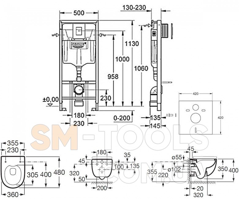
Инсталляция для унитаза GROHE RAPID SL #38772001+37131000
Коллекция Meridian
Назначение унитаз с инсталляцией
Сиденье с микролифтом
Выпуск горизонтальный
Тип смывания обратный
Материал керамика
Особенность безободковый
Клавиша смыва двойная
Комплектация чаша, инсталляция, сидение, клавиша
Цвет белый
Родина бренда - Испания
Гарантия - 60 месяцев


