Унитаз+Инсталляция Grohe 39427CB0
-
39427CB0
-
-
Не рискуйте,
покупайте официальный товар! Гарантийный талон
Подвесной унитаз 39427000:
Для тех, кто хочет сделать капитальный ремонт в туалете или просто поменять некоторые элементы, подвесной унитаз GROHE Bau Ceramic сможет многое вам предложить. Его простая эстетика сможет улучшить любую ванную комнату.
Это безободковый унитаз, который изготавливается из гладкого фарфора в цвете "альпин-белый", что не дает бактериям ни одного шанса на размножение.
В то же время унитаз не требует сложного обслуживания и предлагает эффективный смыв. Спроектированный для работы с бачком скрытого монтажа, объем смыва составляет 6/3 л.
- для бачка скрытого монтажа
- омыв всей окружности чаши
- безободковый
- горизонтальный выпуск
- объем смыва 6/3 л
Сиденье 39493000:
Добавьте завершающий штрих в вашу ванную комнату или уборную умный дизайн и простоту использования, которую предлагает утонченное сиденье для унитаза GROHE Bau Ceramic с крышкой.
Созданное, чтобы идеально сочетаться с керамикой GROHE Bau, это сиденье сделано из долговечного материала дюропласт и включает в себя функцию быстрого снятия - сиденье фиксируется на месте быстроразъемным шарниром - для простой очистки.
Функция GROHE SoftClose означает, что и крышка, и сиденье плавно и без труда открываются и закрываются: никакого неожиданного шума или защемленных пальцев.
Монтажный набор из нержавеющей стали для сиденья также включен в комплект.
- с крышкой
- быстросъемное сиденье
- материал: Дюропласт
- с креплением
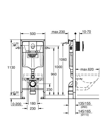
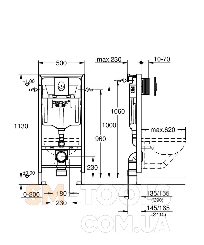
Инсталляция 38721001:
Инсталляционная система Rapid SL поставляется совместно со смывной панелью Skate Air цвета хром.
Используя систему быстрого монтажа GROHE QuickFix®, вы установите инсталляционную систему в мгновение ока.
Для максимальной безопасности, стальной каркас рамы инсталляции сертифицирован при нагрузке свыше 400 кг. Установленный перед стеной или в гипсокартонную перегородку, подвесной унитаз и бачок скрытого монтажа обеспечивает оптимальный уровень гигиены и простоту уборки ванной комнаты.
Благодаря технологии двойного смыва GROHE EcoJoy®, водопотребление инсталляционных систем Rapid SL может быть снижено на 50%, тем самым уменьшая ваши расходы за коммунальные услуги.
Созданные с применением технологии GROHE Whisper® для повышенного уровня шумоизоляции системы инсталляции серии Rapid SL предоставляют оптимальный уровень защищенности от шума.
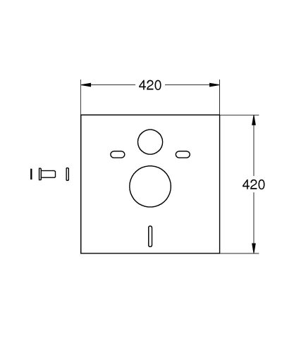
Звукоизоляционный комплект 37131000:
- для унитаза
- Звукоизоляционная панель
- 2 резиновые втулки
Bau Подвесной унитаз (39427000) - 1 шт.
Rapid SL комплект 3-в-1 для унитаза (кнопка Skate Air) + 37131000 (38721001) - 1 шт.
Звукоизоляционный комплект для унитаза (37131000) - 1 шт.
Сиденье для унитаза GROHE Bau Ceramic soft close (39435000) - 1 шт.
Тип: Унитаз+Инсталляция
Коллекция: Bau Ceramic
Поверхность: Белый альпийский, Синий
Клавиша смыва есть
Страна производитель - Германия
Родина бренда - Германия
Гарантия - 132 месяцев










.jpg)